| Cross Roller Slewing Bearing | |||||||||||||
|
|||||||||||||
| XU Series Cross Roller Slewing Bearings | |||||||||||||
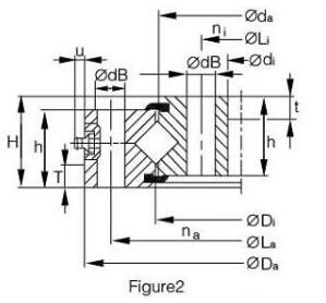
| Bearing Number | XU Light Series (Without Tooth)Installation size (mm) | Mass | |||||||||||
| Da | di | La | dB | na | Li | H | h | da | Di | ds | ts | Kg | |
| XU050077 | 112 | 40 | 97 | 6.6 | 6 | 56 | 22 | 21 | 74 | 77.5 | 11 | 5.5 | 1.4 |
| XU060094 | 140 | 57 | 120 | 9 | 6 | 70 | 26 | 25 | 93.4 | 94.6 | 15 | 6 | 2.4 |
| XU120179 | 234 | 125 | 125 | 11 | 12 | 144.5 | 35 | 35 | 178 | 180 | - | - | 7 |
| XU160220 | 302 | 138 | 138 | 18 | 10 | 170 | 46 | 46 | 219 | 221 | - | - | 16 |
| XU160260 | 329 | 191 | 191 | 14 | 20 | 215 | 46 | 46 | 259 | 261 | - | - | 15 |
| XU180380 | 485 | 275 | 275 | 18 | 16 | 307 | 55 | 55 | 379 | 381 | - | - | 45 |
| XU160405 | 474 | 336 | 336 | 14 | 30 | 360 | 46 | 46 | 404 | 406 | - | - | 25 |
| XU180412 | 501 | 324 | 324 | 18 | 18 | 356 | 55 | 55 | 411 | 413 | - | - | 40 |
| XU180433 | 522 | 344 | 344 | 18 | 20 | 376 | 55 | 55 | 432 | 434 | - | - | 42 |
| XU220460 | 568 | 356 | 356 | 22 | 18 | 396 | 64 | 64 | 458 | 462 | - | - | 64 |
| XU180475 | 562 | 388 | 388 | 18 | 20 | 420 | 55 | 55 | 474 | 476 | - | - | 46 |
| XU300515 | 646 | 384 | 384 | 26 | 18 | 432 | 86 | 86 | 513 | 571 | - | - | 115 |
| XU300515 | 655 | 435 | 435 | 22 | 24 | 475 | 79 | 79 | 543 | 547 | - | - | 94 |
| XU220574 | 680 | 468 | 468 | 22 | 20 | 508 | 68 | 68 | 572 | 576 | - | - | 82 |
| XU300586 | 704 | 468 | 468 | 22 | 36 | 508 | 86 | 86 | 584 | 588 | - | - | 115 |
| XU280680 | 795 | 565 | 565 | 22 | 30 | 605 | 79 | 72 | 678 | 682 | - | - | 120 |
| XU300785 | 900 | 670 | 670 | 22 | 36 | 710 | 86 | 79 | 783 | 787 | - | - | 155 |
| XU260823 | 933 | 713 | 713 | 22 | 36 | 753 | 79 | 43 | 821 | 825 | - | - | 140 |
| XU160897 | 976 | 818 | 818 | 18 | 36 | 850 | 50 | 72 | 896 | 898 | - | - | 67 |