DXH Guide Rings
DXH Guide Ring
Function and Usage
DXH Guide Ring performances good supporting guide effect for the piston and piston rod which are operating inside the hydraulic cylinder. At the same time, it afford the radial force which are caused during the movement of the cylinder, ensures concentricity between components to prevent contact between metal parts.
Advantage
Polyoxymethylene Delrin (POM): excellent wear resistance, high compressive strength, easy to install, high performance to price ratio.
Filled PTFE: self lubrication, high wear resistance and small friction. Has a good adsorption capacity to the iron scurf, dust particles and etc in side of the cylinder, can be used under a wide range of medium.
Phenolic Cloth: excellent compression resistance, good dimensional stability, long service life
Material
Polyoxymethylene Delrin (POM) Our Material Code: S805
Filled PTFE Our Material Code: T601
Phenolic Cloth Our Material Code: QJ900
Technical Data
Filled PTFE (T601) material guide ring is used for light working condition.
Polyoxymethylene Delrin (POM) material guide ring is used in light and medium working condition.
Phenolic Cloth material guide ring is used for heavy working condition.
Working Temperature:
T601: -60℃ to +200℃
S805: -40℃ to +110℃
QJ900: -50℃ to +130℃
Speed:
T601: ≤ 5m/s
S805: ≤1.5m/s
QJ900: ≤1m/s
Dynamic Pressure:
T601: ≤ 15N/mm² (60℃)
S805: ≤75N/mm² (60℃)
QJ900: ≤100N/mm² (60℃)
Phenolic Cloth’s breaking tenacity can be reach to 320N/mm²
Working Medium: Mineral hydraulic oil, emulsion, water and other media
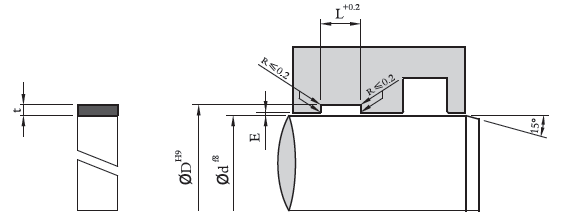
Installation
Groove: Closed
In the design of the hydraulic cylinder, the sequence of the sealing components is critical. The correct alignment of the guide ring ensures that the piston and piston rod remain concentric position while movement, and also, can bear the bending load. At the same time the correct position can ensure good lubrication, prevent hydraulic cylinder shake, abnormal sound, maintain good working condition.
In order to avoid the damage of the seals, during the installation, the seals should be leave away with the shape edge of the parts and tools. The sharp edges and burr in the installation area of the seal must be removed.
DXH Guide Ring Thickness Code
|
DXH Thickness (mm) |
1.5 |
2.5 |
3 |
4 |
5 |
|
DXH Thickness Code |
03 |
05 |
06 |
08 |
10 |
DXH Guide Ring Groove Width Code
|
DXH Width (mm) |
3.2 |
4.2 |
6.1 |
8.1 |
9.7 |
15 |
20 |
25 |
30 |
40 |
50 |
|
DXH Width Code |
03 |
04 |
06 |
08 |
09 |
15 |
20 |
25 |
30 |
40 |
50 |
Example of the Guide Ring Order Part No. :
DXH Guide Ring
Piston Rod Diameter:d=60mm
Thickness: 2.5mm
Height: 9.7mm
Material: Filled PTFE
Part Number: DXH580906005AT601
DXH: Series Number
58: Hole (Piston) 59 / Shaft (Piston) 58
09: Guide Ring Width
060: Piston Rod Diameter
05: Guide Ring Width Code
T601: Material Code
Note: Filled PTFE material (T601) and Phenolic Cloth material (QJ900) Guide Ring can be offered in rolls. Order Part No. As below:
Thickness: 2.5mm
Width: 9.7mm
Material: Filled PTFE (T601)
Example of the Guide Ring Order Part No. in Roll :
Part Number: DXD090510MAT601
DXD: Series Number
09: Guide Ring Width
05: Guide Ring Thickness Code
10M: Guide Ring Length
A: with pattern on the surface
T601: Material Code
|
DXH Guide Ring |
 |
|
Shaft (Piston) DXH Guide Ring |
|
D |
d |
L |
t |
Part No. |
|
8-20 |
d+3 |
3.2 |
1.5 |
DXH5803*** |
|
20-40 |
d+5 |
4.2 |
2.5 |
DXH5804*** |
|
25-80 |
d+5 |
6.3 |
2.5 |
DXH5806*** |
|
25-80 |
d+6 |
6.3 |
3 |
DXH5806*** |
|
40-270 |
d+5 |
8.1 |
2.5 |
DXH5808*** |
|
40-270 |
d+6 |
8.1 |
3 |
DXH5808*** |
|
40-270 |
d+8 |
8.1 |
4 |
DXH5808*** |
|
40-320 |
d+5 |
9.7 |
2.5 |
DXH5809*** |
|
40-320 |
d+6 |
9.7 |
3 |
DXH5809*** |
|
40-320 |
d+8 |
9.7 |
4 |
DXH5809*** |
|
40-320 |
d+10 |
9.7 |
5 |
DXH5809*** |
|
80-900 |
d+5 |
15 |
2.5 |
DXH5815*** |
|
80-900 |
d+6 |
15 |
3 |
DXH5815*** |
|
80-900 |
d+8 |
15 |
4 |
DXH5815*** |
|
80-900 |
d+10 |
15 |
5 |
DXH5815*** |
|
150-900 |
d+5 |
20 |
2.5 |
DXH5820*** |
|
150-900 |
d+6 |
20 |
3 |
DXH5820*** |
|
150-900 |
d+8 |
20 |
4 |
DXH5820*** |
|
150-900 |
d+10 |
20 |
5 |
DXH5820*** |
|
200-900 |
d+5 |
25 |
2.5 |
DXH5825*** |
|
200-900 |
d+6 |
25 |
3 |
DXH5825*** |
|
200-900 |
d+8 |
25 |
4 |
DXH5825*** |
|
200-900 |
d+10 |
25 |
5 |
DXH5825*** |
|
200-999 |
d+5 |
30 |
2.5 |
DXH5830*** |
|
200-999 |
d+6 |
30 |
3 |
DXH5830*** |
|
200-999 |
d+8 |
30 |
4 |
DXH5830*** |
|
200-999 |
d+10 |
30 |
5 |
DXH5830*** |
|
Hole (Piston) DXH Guide Ring |
|
8-20 |
D-3 |
3.2 |
1.5 |
DXH5903*** |
|
20-40 |
D-5 |
4.2 |
2.5 |
DXH5904*** |
|
25-80 |
D-5 |
6.3 |
2.5 |
DXH5906*** |
|
25-80 |
D-6 |
6.3 |
3 |
DXH5906*** |
|
40-270 |
D-5 |
8.1 |
2.5 |
DXH5908*** |
|
40-270 |
D-6 |
8.1 |
3 |
DXH5908*** |
|
40-270 |
D-8 |
8.1 |
4 |
DXH5908*** |
|
40-320 |
D-5 |
9.7 |
2.5 |
DXH5909*** |
|
40-320 |
D-6 |
9.7 |
3 |
DXH5909*** |
|
40-320 |
D-8 |
9.7 |
4 |
DXH5909*** |
|
40-320 |
D-10 |
9.7 |
5 |
DXH5909*** |
|
80-900 |
D-5 |
15 |
2.5 |
DXH5915*** |
|
80-900 |
D-6 |
15 |
3 |
DXH5915*** |
|
80-900 |
D-8 |
15 |
4 |
DXH5915*** |
|
80-900 |
D-10 |
15 |
5 |
DXH5915*** |
|
150-900 |
D-5 |
20 |
2.5 |
DXH5920*** |
|
150-900 |
D-6 |
20 |
3 |
DXH5920*** |
|
150-900 |
D-8 |
20 |
4 |
DXH5920*** |
|
150-900 |
D-10 |
20 |
5 |
DXH5920*** |
|
200-900 |
D-5 |
25 |
2.5 |
DXH5925*** |
|
200-900 |
D-6 |
25 |
3 |
DXH5925*** |
|
200-900 |
D-8 |
25 |
4 |
DXH5925*** |
|
200-900 |
D-10 |
25 |
5 |
DXH5925*** |
|
200-999 |
D-5 |
30 |
2.5 |
DXH5930*** |
|
200-999 |
D-6 |
30 |
3 |
DXH5930*** |
|
200-999 |
D-8 |
30 |
4 |
DXH5930*** |
|
200-999 |
D-10 |
30 |
5 |
DXH5930*** |
|
If any special requirements of the materials and sizes, please contact with us. |